USING FOR

Plug in type bushing and bolted type bushing could use inside of distrubition Transformer with oil immersed and other silicon cable connection using area.

STANDARDS

The plug in type bushings TK 975-1/TK 975-2/TK 975-3 was product the requirements of IEC TS EN 50180 , IEC TS EN 50181, IEC 60137.

ORDERING INSTRUCTION

To order the equipment bushing, please inform us for type of bushings. The bushings are supplied with an earth cable or an earth plate .

Interface B,C  up to 36kV - 400A

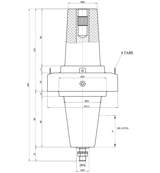
DESIGN

  • The equipment bushings are moulded epoxy insulated parts in accordance with IEC EN 50180.
  • The standard bushings TK 975-1/TK 975-2/TK 975-3 are equipped with 4 tabs for the bail restraint.

TESTING

All type bushings test by TAKFAN's Quality persons as %100 in TAKFAN Laboratory according to IEC 60137 .

Rank of tests as a belows;

  • Dry power-Frequency voltage withstand test (72kV/1min.)
  • Measurement of the partial discharge quantity
  • Air leakage test (2 bars/min.)
  • Cantilever load withstand test.
  • Visual inspection and dimensional check

SHORT CIRCUIT RATINGS

Product Code Voltage Ur (kv) Current lr (A) Contact Type Interface
TK 975 - 1 36 250 Sliding B
TK 975 - 2 36 400 Sliding B
TK 975 - 3 36 400 Bolted C